Shaft and wheel SW-T003
SW-T003
New
Please login to see prices and stock
Shaft and wheel SW-T003 for turbos 17201-0L040, 17201-0L041, 17201-0L042, 17201-30010, 17201-30011, 17201-30100, 17201-30101, 17201-30110, 17201-30150, 17201-30160.
SW-T003 - Shaft and wheel
Brand: Vortex
Vortex Reference: SW-T003
SW-T003 - Compatibility table
| Shaft and wheel SW-T003 - Compatible turbochargers | |||
|---|---|---|---|
| TURBO MAKER | TURBO MODEL | TURBO REFERENCE | TURBO OE NUMBER |
| Toyota | CT16 | 17201-0L040 | -- |
| Toyota | CT16 | 17201-0L041 | -- |
| Toyota | CT16 | 17201-0L042 | -- |
| Toyota | CT16V | 17201-30010 | -- |
| Toyota | CT | 17201-30011 | -- |
| Toyota | CT16 | 17201-30100 | -- |
| Toyota | CT16 | 17201-30101 | -- |
| Toyota | CT16V | 17201-30110 | -- |
| Toyota | CT26 | 17201-30150 | -- |
| Toyota | CT26 | 17201-30160 | -- |
| Toyota | CT26 | 17201-30161 | -- |
| Toyota | CT16V | 17201-30180 | -- |
| Toyota | CT16V | 17201-30181 | -- |
| Toyota | CT16V | 17201-30190 | -- |
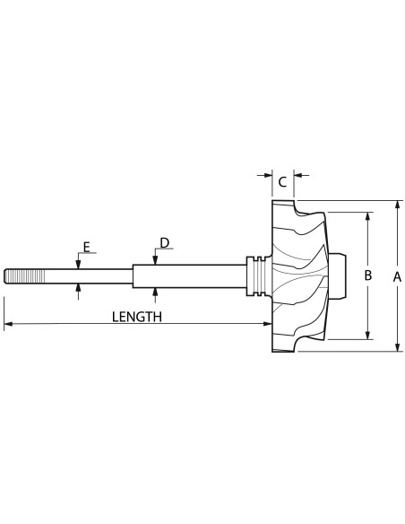
SW-T003 - Part Properties
Blades (Shaft blades count): 11
Type (Shaft & Wheel Type): Straight
Inducer Diameter A (Inducer Diameter A): 51.8
Exducer Diameter B (Exducer Diameter B): 48.0
Tip Height C (Tip Height C): 9.0
Journal Bearing Diameter D (Journal Bearing Diameter D): 8.5
Compressor Wheel Diameter E (Compressor Wheel Diameter E): 5.1
Shaft Length (mm) (Shaft Length (mm)): 100.0
Back (Back): Open
Piston Ring Type (Piston Ring Type): Single
Model (Model): CT16
17201-0L040, 17201-0L041, 17201-0L042, 17201-30010, 17201-30011, 17201-30100, 17201-30101, 17201-30110, 17201-30150, 17201-30160, 17201-30161, 17201-30180, 17201-30181, 17201-30190
Data updated: 2025-09-01 12:16:40
New
No reviews