Shaft and wheel SW-CO001
Shaft and wheel SW-CO001

Shaft and wheel SW-CO001

SW-CO001
Nuovo
Please login to see prices and stock

Shaft and wheel SW-CO001 for turbos 11652681209, 11657633795, 7636784.

 

SW-CO001 - Shaft and wheel

Brand: Vortex

Vortex Reference: SW-CO001

SW-CO001 - Compatibility table

Shaft and wheel SW-CO001 - Compatible turbochargers
TURBO MAKERTURBO MODELTURBO REFERENCETURBO OE NUMBER
ContinentalGTDI12v1165268120911657636784, 763678405
ContinentalGTDI12v1165763379511657633795
ContinentalGTDI12V76367847636784

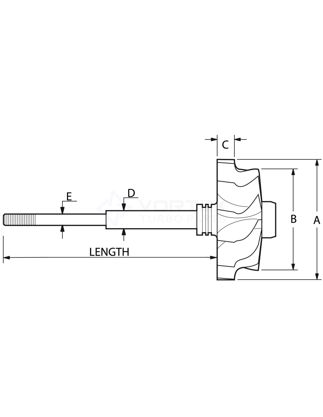
SW-CO001 - Part Properties

Blades (Shaft blades count): 9

Type (Shaft & Wheel Type): Straight

Inducer Diameter A (Inducer Diameter A): 35.6

Exducer Diameter B (Exducer Diameter B): 30.0

Tip Height C (Tip Height C): 4.5

Journal Bearing Diameter D (Journal Bearing Diameter D): 6.5

Compressor Wheel Diameter E (Compressor Wheel Diameter E): 4.1

Shaft Length (mm) (Shaft Length (mm)): 85.5

Back (Back): Closed

Piston Ring Type (Piston Ring Type): Twin

Rotation (Rotation): Reverse

Model (Model): GTDI12V


11652681209, 11657636784, 11659470992, 2800013005280, 763678405, 1165659895980, 11657633795, 11659895980, 2800013004280, 7636784

Data updated: 2024-11-16 14:57:52

Nuovo
No reviews
Product added to wishlist
Product added to compare.