Velenas SW-K011
Velenas SW-K011
Velenas SW-K011
Velenas SW-K011

Velenas SW-K011

SW-K011
Nauja
Please login to see prices and stock

Velenas SW-K011 for turbos 53039700386.

 

SW-K011 - Velenas

Brand: Vortex

Vortex Reference: SW-K011

SW-K011 - Compatibility table

Velenas SW-K011 - Compatible turbochargers
TURBO MAKERTURBO MODELTURBO REFERENCETURBO OE NUMBER
BorgWarnerK0353039700386V860288180

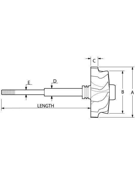
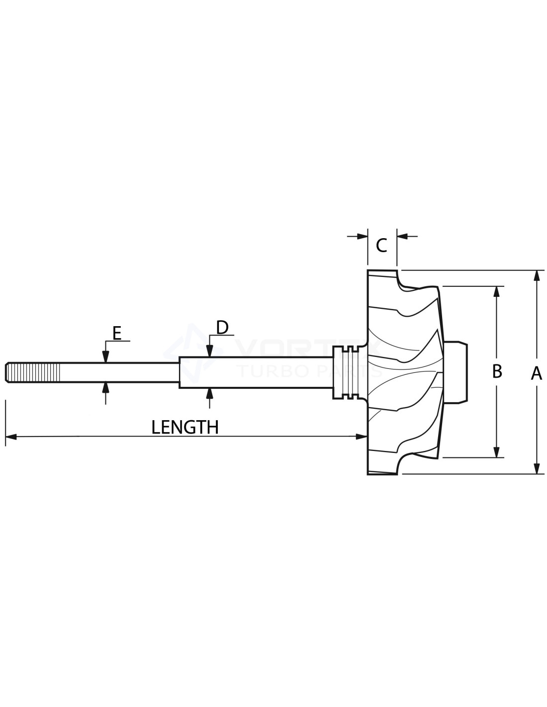
SW-K011 - Part Properties

Blades (Shaft blades count): 11

Type (Shaft & Wheel Type): Straight

Vidinis Matmuo A (Vidinis Matmuo A): 45.0

Išorinis Matmuo B (Išorinis Matmuo B): 40.0

Kelties aukštis C (Kelties aukštis C): 8.0

Slydimo Įvorės Matmuo D (Slydimo Įvorės Matmuo D): 7.0

Kompresorinės Sparnuotės Matmuo E (Kompresorinės Sparnuotės Matmuo E): 4.6

Veleno Ilgis (mm) (Veleno Ilgis (mm)): 98.0

Back (Back): Closed

Piston Ring Type (Piston Ring Type): Twin

Model (Model): K03/04


53039700386, V860288180

Data updated: 2025-08-28 13:40:58

Nauja
No reviews
Product added to wishlist
Product added to compare.