Velenas SW-I034
Velenas SW-I034
Velenas SW-I034
Velenas SW-I034

Velenas SW-I034R

SW-I034R
Nauja
Please login to see prices and stock

Velenas SW-I034R for turbos 06K145702N, 06K145722A, 06K145722H, 06K145722T.

 

SW-I034R - Velenas

Brand: Vortex

Vortex Reference: SW-I034R

SW-I034R - Compatibility table

Velenas SW-I034R - Compatible turbochargers
TURBO MAKERTURBO MODELTURBO REFERENCETURBO OE NUMBER
IHIRHF506K145702N06K145702N
IHIRHF506K145722A06K145722A
IHIRHF506K145722H06K145722H
IHIRHF506K145722T06K145722T

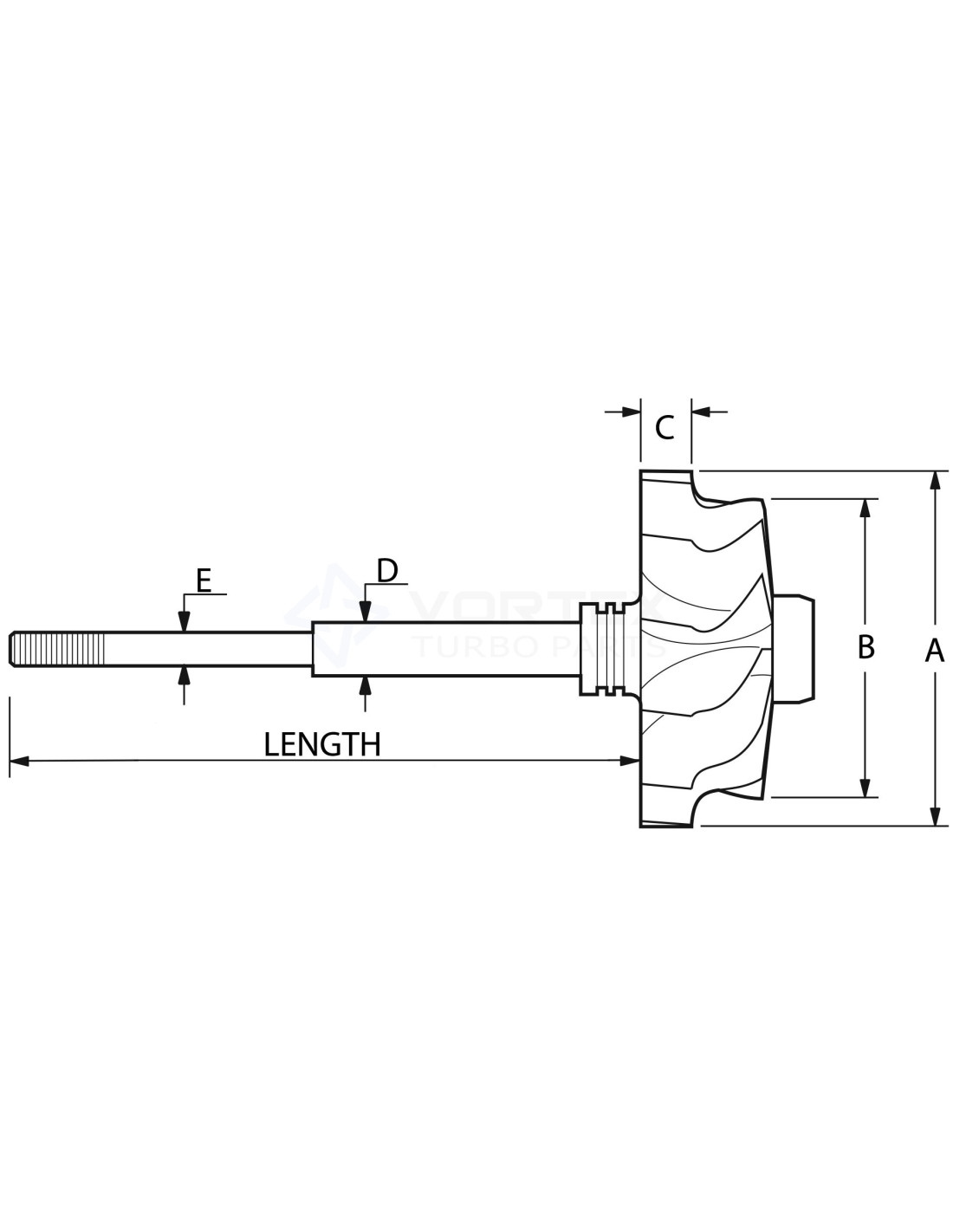
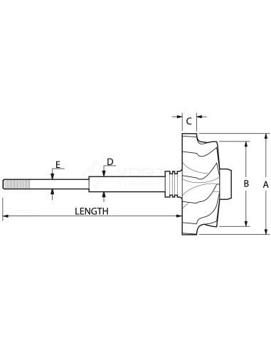
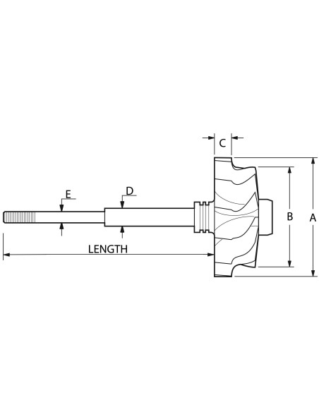
SW-I034R - Part Properties

Blades (Shaft blades count): 8

Type (Shaft & Wheel Type): Straight

Vidinis Matmuo A (Vidinis Matmuo A): 54.9

Išorinis Matmuo B (Išorinis Matmuo B): 47.5

Kelties aukštis C (Kelties aukštis C): 8.0

Slydimo Įvorės Matmuo D (Slydimo Įvorės Matmuo D): 8.0

Kompresorinės Sparnuotės Matmuo E (Kompresorinės Sparnuotės Matmuo E): 5.0

Veleno Ilgis (mm) (Veleno Ilgis (mm)): 104.5

Back (Back): Open

Piston Ring Type (Piston Ring Type): Single

Rotation (Rotation): Reverse

Model (Model): RHF5


06K145702N, 06K145722A, 06K145722H, 06K145722T

Data updated: 2025-08-28 12:28:31

Nauja
No reviews
Product added to wishlist
Product added to compare.