Velenas SW-B022
Velenas SW-B022R
Velenas SW-B022
Velenas SW-B022R

Velenas SW-B022R

SW-B022R
Nauja
Please login to see prices and stock

Velenas SW-B022R for turbos 10009700313-B03, 10009700384-B03, 18509700006, 18509700010, 18509700015.

 

SW-B022R - Velenas

Brand: Vortex

Vortex Reference: SW-B022R

SW-B022R - Compatibility table

Velenas SW-B022R - Compatible turbochargers
TURBO MAKERTURBO MODELTURBO REFERENCETURBO OE NUMBER
BorgWarnerB0310009700313-B03--
BorgWarnerB0310009700384-B03--
BorgWarnerB0318509700006--
BorgWarnerB0318509700010--
BorgWarnerB0318509700015--

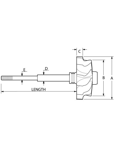
SW-B022R - Part Properties

Blades (Shaft blades count): 10

Type (Shaft & Wheel Type): Straight

Vidinis Matmuo A (Vidinis Matmuo A): 50

Išorinis Matmuo B (Išorinis Matmuo B): 43.5

Kelties aukštis C (Kelties aukštis C): 6.6

Slydimo Įvorės Matmuo D (Slydimo Įvorės Matmuo D): 8.5

Kompresorinės Sparnuotės Matmuo E (Kompresorinės Sparnuotės Matmuo E): 5.6

Veleno Ilgis (mm) (Veleno Ilgis (mm)): 108.0

Back (Back): Closed

Piston Ring Type (Piston Ring Type): Twin

Rotation (Rotation): Reverse

Model (Model): B03


10009700313-B03, 10009700384-B03, 18509700006, 18509700010, 03N145703R, 18509700015

Data updated: 2025-08-27 16:25:48

Nauja
No reviews
Product added to wishlist
Product added to compare.