Velenas SW-G144
Velenas SW-G144
Velenas SW-G144
Velenas SW-G144

Velenas SW-G144

SW-G144
Nauja
Please login to see prices and stock

Velenas SW-G144 for turbos 852915-0001.

 

SW-G144 - Velenas

Brand: Vortex

Vortex Reference: SW-G144

SW-G144 - Compatibility table

Velenas SW-G144 - Compatible turbochargers
TURBO MAKERTURBO MODELTURBO REFERENCETURBO OE NUMBER
GarrettGTC4594S852915-00012009728, 2199316, 2328179, 2371648, 2385226

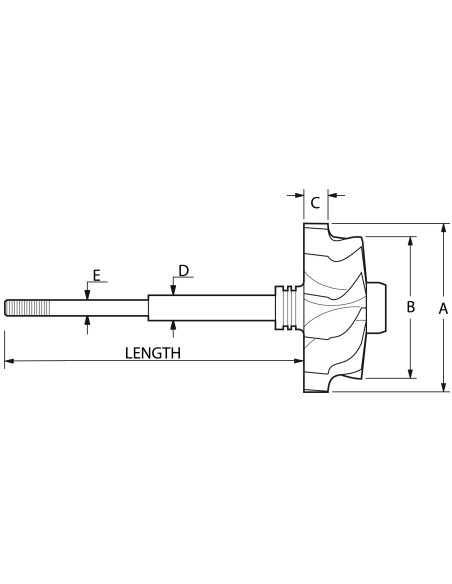
SW-G144 - Part Properties

Blades (Shaft blades count): 11

Type (Shaft & Wheel Type): Straight

Vidinis Matmuo A (Vidinis Matmuo A): 87.5

Išorinis Matmuo B (Išorinis Matmuo B): 69.6

Kelties aukštis C (Kelties aukštis C): 11.6

Slydimo Įvorės Matmuo D (Slydimo Įvorės Matmuo D): 13.0

Veleno Ilgis (mm) (Veleno Ilgis (mm)): 97.0

Back (Back): Open

Piston Ring Type (Piston Ring Type): Twin

Model (Model): GT45


2009728, 2199316, 2328179, 2371648, 2385226, 852915-0002, 852915-0003, 852915-0004, 852915-0018, 852915-0019

Data updated: 2025-08-29 11:20:16

Nauja
No reviews
Product added to wishlist
Product added to compare.