Velenas SW-I025
Velenas SW-I025
Velenas SW-I025
Velenas SW-I025

Velenas SW-I025

SW-I025
Nauja
Please login to see prices and stock

Velenas SW-I025 for turbos VV20, VV21-RHF4, VV22.

 

SW-I025 - Velenas

Brand: Vortex

Vortex Reference: SW-I025

SW-I025 - Compatibility table

Velenas SW-I025 - Compatible turbochargers
TURBO MAKERTURBO MODELTURBO REFERENCETURBO OE NUMBER
IHIRHF4VV20--
IHIRHF4VV21-RHF4--
IHIRHF4VV22--

SW-I025 - Part Properties

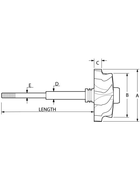
Blades (Shaft blades count): 9

Type (Shaft & Wheel Type): Slender

Vidinis Matmuo A (Vidinis Matmuo A): 44.5

Išorinis Matmuo B (Išorinis Matmuo B): 39.9

Kelties aukštis C (Kelties aukštis C): 7.2

Slydimo Įvorės Matmuo D (Slydimo Įvorės Matmuo D): 7.4

Kompresorinės Sparnuotės Matmuo E (Kompresorinės Sparnuotės Matmuo E): 5.1

Veleno Ilgis (mm) (Veleno Ilgis (mm)): 94.0

Back (Back): Closed

Piston Ring Type (Piston Ring Type): Single

Model (Model): RHF4


VV20, VV21-RHF4, VV22

Data updated: 2025-08-29 11:00:04

Nauja
No reviews
Product added to wishlist
Product added to compare.