Velenas SW-BM004
Velenas SW-BM004
Velenas SW-BM004
Velenas SW-BM004

Velenas SW-BM004

SW-BM004
Nauja
Please login to see prices and stock

Velenas SW-BM004 for turbos 11659423787, 7643147, 8698775, 9423788.

 

SW-BM004 - Velenas

Brand: Vortex

Vortex Reference: SW-BM004

SW-BM004 - Compatibility table

Velenas SW-BM004 - Compatible turbochargers
TURBO MAKERTURBO MODELTURBO REFERENCETURBO OE NUMBER
BMTSBM9011659423787--
BMTSBM907643147--
BMTSBM908698775--
BMTSBM909423788--

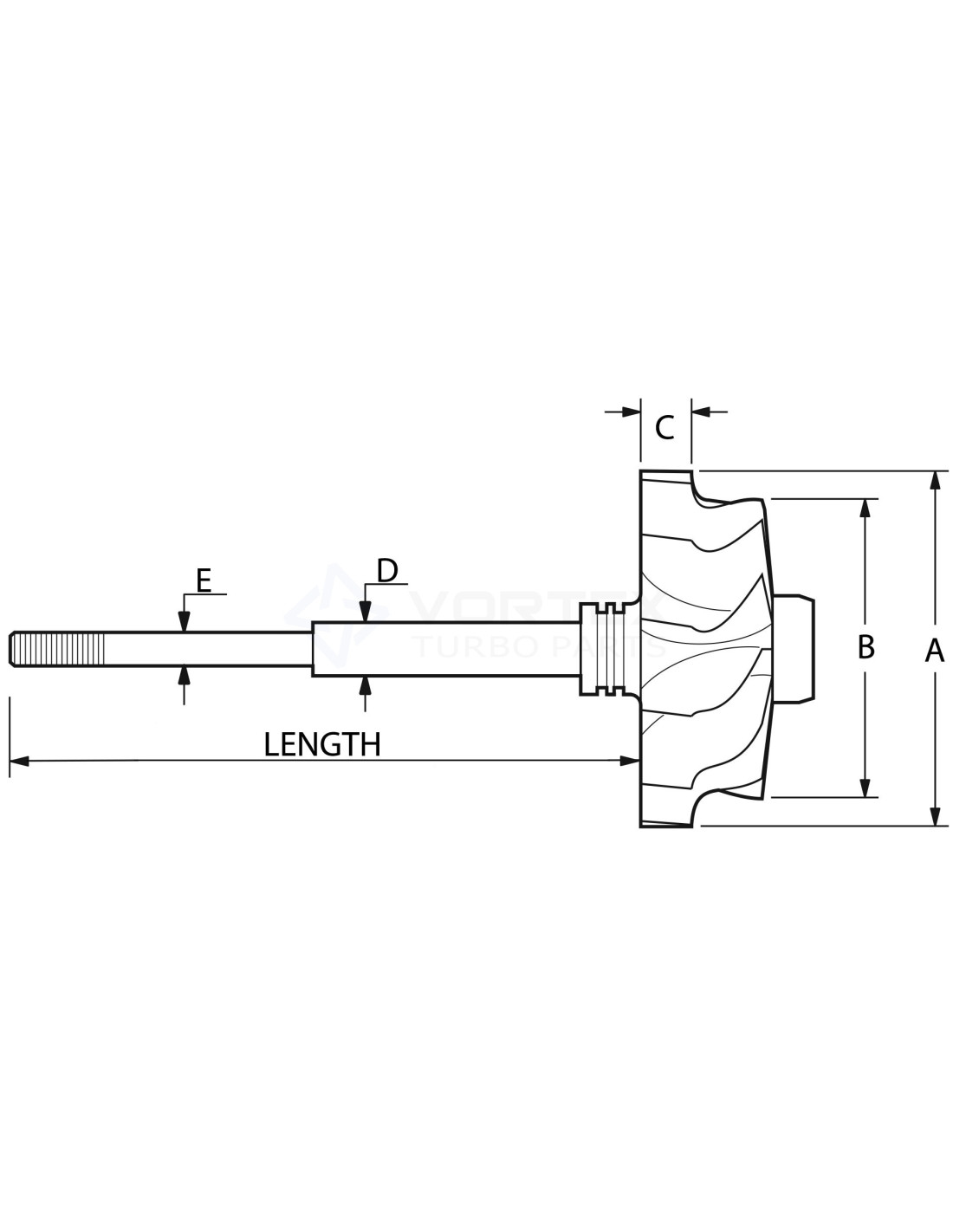
SW-BM004 - Part Properties

Blades (Shaft blades count): 10

Type (Shaft & Wheel Type): Straight

Vidinis Matmuo A (Vidinis Matmuo A): 56.0

Išorinis Matmuo B (Išorinis Matmuo B): 50.2

Kelties aukštis C (Kelties aukštis C): 9.4

Slydimo Įvorės Matmuo D (Slydimo Įvorės Matmuo D): 9.0

Kompresorinės Sparnuotės Matmuo E (Kompresorinės Sparnuotės Matmuo E): 5.7

Veleno Ilgis (mm) (Veleno Ilgis (mm)): 128.0

Back (Back): Closed

Piston Ring Type (Piston Ring Type): Twin

Rotation (Rotation): Reverse

Model (Model): BM90


11659423787, 7643147, 8698775, 9423788

Data updated: 2025-08-28 17:08:19

Nauja
No reviews
Product added to wishlist
Product added to compare.