Velenas SW-G147
Velenas SW-G147
Velenas SW-G147
Velenas SW-G147

Velenas SW-G147

SW-G147
Nauja
Please login to see prices and stock

Velenas SW-G147 for turbos 824756-0003, 824756-0004, 824756-0006, 824757-0003, 824757-0004, 824757-0006.

 

SW-G147 - Velenas

Brand: Vortex

Vortex Reference: SW-G147

SW-G147 - Compatibility table

Velenas SW-G147 - Compatible turbochargers
TURBO MAKERTURBO MODELTURBO REFERENCETURBO OE NUMBER
GarrettDSGT-GT1241Z824756-0003--
GarrettDSGT-GT1241Z824756-0004--
GarrettDSGT-GT1241Z824756-0006--
GarrettGT1241Z824757-0003--
GarrettGT1241Z824757-0004--
GarrettGT1241Z824757-0006--

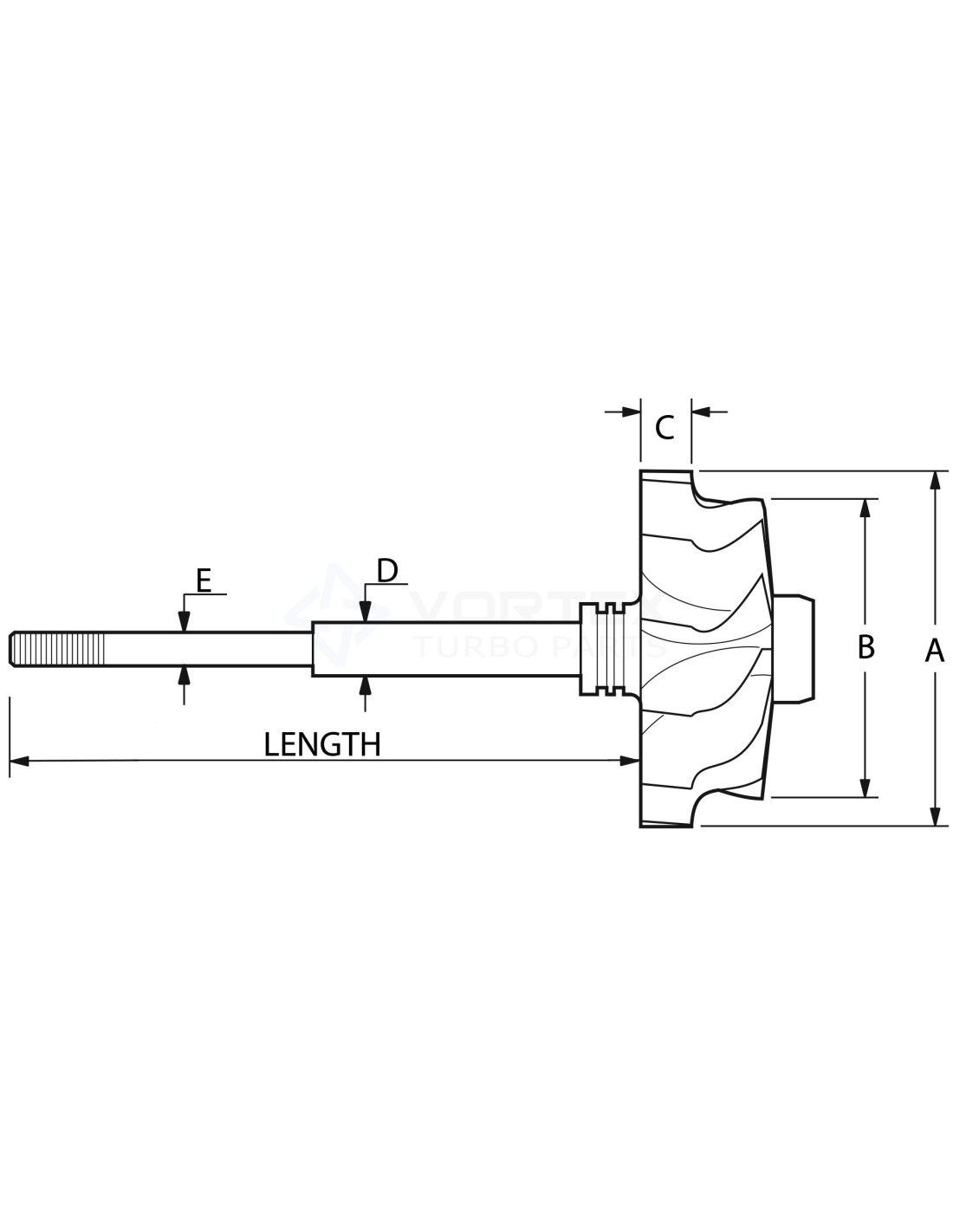
SW-G147 - Part Properties

Blades (Shaft blades count): 9

Vidinis Matmuo A (Vidinis Matmuo A): 35.6

Išorinis Matmuo B (Išorinis Matmuo B): 30.5

Kelties aukštis C (Kelties aukštis C): 7.5

Slydimo Įvorės Matmuo D (Slydimo Įvorės Matmuo D): 6.0

Kompresorinės Sparnuotės Matmuo E (Kompresorinės Sparnuotės Matmuo E): 4.0

Veleno Ilgis (mm) (Veleno Ilgis (mm)): 79.5

Back (Back): Closed

Piston Ring Type (Piston Ring Type): Twin

Model (Model): GT12


824756-0003, 824756-0004, 824756-0006, 824757-0003, 824757-0004, 824757-0006

Data updated: 2025-09-02 15:57:16

Nauja
No reviews
Product added to wishlist
Product added to compare.