Shaft and wheel SW-I010
Shaft and wheel SW-I010
Shaft and wheel SW-I010
Shaft and wheel SW-I010

Shaft and wheel SW-I010

SW-I010
New
Please login to see prices and stock

Shaft and wheel SW-I010 for turbos 1J860-17012, CK27, CK30.


 

SW-I010 - Shaft and wheel

Brand: Vortex

Vortex Reference: SW-I010

SW-I010 - Compatibility table

Shaft and wheel SW-I010 - Compatible turbochargers
TURBO MAKERTURBO MODELTURBO REFERENCETURBO OE NUMBER
IHIRHF31J860-17012--
IHIRHF3CK27--
IHIRHF3CK30--

SW-I010 - Part Properties

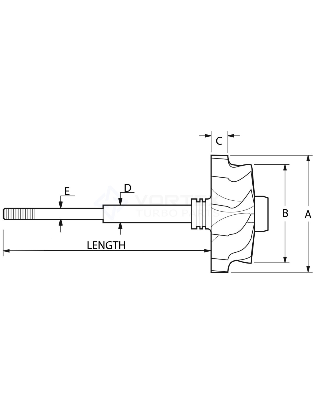
Blades (Shaft blades count): 9

Type (Shaft & Wheel Type): Straight

Inducer Diameter A (Inducer Diameter A): 39.0

Exducer Diameter B (Exducer Diameter B): 34.5

Tip Height C (Tip Height C): 6.2

Journal Bearing Diameter D (Journal Bearing Diameter D): 6.0

Compressor Wheel Diameter E (Compressor Wheel Diameter E): 4.4

Shaft Length (mm) (Shaft Length (mm)): 77.5

Back (Back): Open

Piston Ring Type (Piston Ring Type): Single

Model (Model): RHF3


1J860-17012, CK27, CK30

Data updated: 2025-08-28 14:29:12

New
No reviews
Product added to wishlist
Product added to compare.