Shaft and wheel SW-K068
Shaft and wheel SW-K068
Shaft and wheel SW-K068
Shaft and wheel SW-K068

Shaft and wheel SW-K068

SW-K068
New
Please login to see prices and stock

Shaft and wheel SW-K068 for turbos 53039700653, 53039700784.

 

SW-K068 - Shaft and wheel

Brand: Vortex

Vortex Reference: SW-K068

SW-K068 - Compatibility table

Shaft and wheel SW-K068 - Compatible turbochargers
TURBO MAKERTURBO MODELTURBO REFERENCETURBO OE NUMBER
BorgWarnerBV4353039700653--
BorgWarnerBV4353039700784--

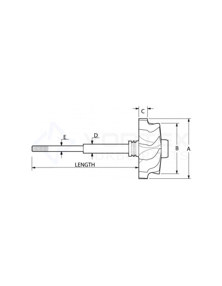
SW-K068 - Part Properties

Blades (Shaft blades count): 11

Type (Shaft & Wheel Type): Straight

Inducer Diameter A (Inducer Diameter A): 42.5

Exducer Diameter B (Exducer Diameter B): 37.5

Tip Height C (Tip Height C): 7.0

Journal Bearing Diameter D (Journal Bearing Diameter D): 7.0

Compressor Wheel Diameter E (Compressor Wheel Diameter E): 4.5

Shaft Length (mm) (Shaft Length (mm)): 99.0

Back (Back): Closed

Piston Ring Type (Piston Ring Type): Twin

Model (Model): BV43


53039700653, 53039700784

Data updated: 2025-08-26 16:21:49

New
No reviews
Product added to wishlist
Product added to compare.