Shaft and wheel SW-I030
Shaft and wheel SW-I030
Shaft and wheel SW-I030
Shaft and wheel SW-I030

Shaft and wheel SW-I030

SW-I030
New
Please login to see prices and stock

Shaft and wheel SW-I030 for turbos 06H145702G, 06H145702L, 06H145702Q, 06H145702R, 06H145702S.

 

SW-I030 - Shaft and wheel

Brand: Vortex

Vortex Reference: SW-I030

SW-I030 - Compatibility table

Shaft and wheel SW-I030 - Compatible turbochargers
TURBO MAKERTURBO MODELTURBO REFERENCETURBO OE NUMBER
IHIRHF506H145702G06H145702G
IHIRHF506H145702L06H145702L
IHIRHF506H145702Q06H145702Q
IHIRHF506H145702R06H145702R
IHIRHF506H145702S06H145702S

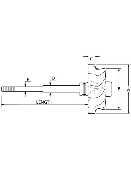
SW-I030 - Part Properties

Blades (Shaft blades count): 7

Type (Shaft & Wheel Type): Straight

Inducer Diameter A (Inducer Diameter A): 52.0

Exducer Diameter B (Exducer Diameter B): 44.0

Tip Height C (Tip Height C): 8.5

Journal Bearing Diameter D (Journal Bearing Diameter D): 8.0

Compressor Wheel Diameter E (Compressor Wheel Diameter E): 5.1

Shaft Length (mm) (Shaft Length (mm)): 99.0

Back (Back): Open

Piston Ring Type (Piston Ring Type): Single

Model (Model): RHF5


06H145702G, 06H145702L, 06H145702Q, 06H145702R, 06H145702S

Data updated: 2025-09-12 12:37:53

New
No reviews
Product added to wishlist
Product added to compare.