Velenas SW-M026
Velenas SW-M026
Velenas SW-M026
Velenas SW-M026

Velenas SW-M026R

SW-M026R
Nauja
Please login to see prices and stock

Velenas SW-M026R for turbos 49130-01900, 49130-01910, 49130-01920, 49130-01930, 49130-01940.

 

SW-M026R - Velenas

Brand: Vortex

Vortex Reference: SW-M026R

SW-M026R - Alternative numbers

VTX (VortexTurbo originalus numeris): SW-M026

SW-M026R - Compatibility table

Velenas SW-M026R - Compatible turbochargers
TURBO MAKERTURBO MODELTURBO REFERENCETURBO OE NUMBER
MitsubishiTD02549130-01900--
MitsubishiTD02549130-01910--
MitsubishiTD02549130-01920--
MitsubishiTD02549130-01930--
MitsubishiTD02549130-01940--

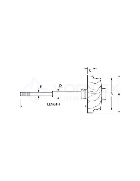
SW-M026R - Part Properties

Blades (Shaft blades count): 11

Type (Shaft & Wheel Type): Straight

Vidinis Matmuo A (Vidinis Matmuo A): 34.0

Išorinis Matmuo B (Išorinis Matmuo B): 29.8

Kelties aukštis C (Kelties aukštis C): 6.1

Slydimo Įvorės Matmuo D (Slydimo Įvorės Matmuo D): 6.0

Kompresorinės Sparnuotės Matmuo E (Kompresorinės Sparnuotės Matmuo E): 4.0

Veleno Ilgis (mm) (Veleno Ilgis (mm)): 82.5

Back (Back): Closed

Piston Ring Type (Piston Ring Type): Single

Rotation (Rotation): Reverse

Model (Model): TD025


49130-01900, 49130-01910, 49130-01920, 49130-01930, 49130-01940

Data updated: 2025-10-15 20:40:19

Nauja
No reviews
Product added to wishlist
Product added to compare.