Velenas SW-G015
Velenas SW-G015
Velenas SW-G015
Velenas SW-G015

Velenas SW-G015

SW-G015
Nauja
Please login to see prices and stock

Velenas SW-G015 for turbos 789016-0001, 789016-0002.

 

SW-G015 - Velenas

Brand: Vortex

Vortex Reference: SW-G015

SW-G015 - Compatibility table

Velenas SW-G015 - Compatible turbochargers
TURBO MAKERTURBO MODELTURBO REFERENCETURBO OE NUMBER
GarrettGTC1238VZ789016-000103P253019B
GarrettGTC1238VZ789016-000203P253019B

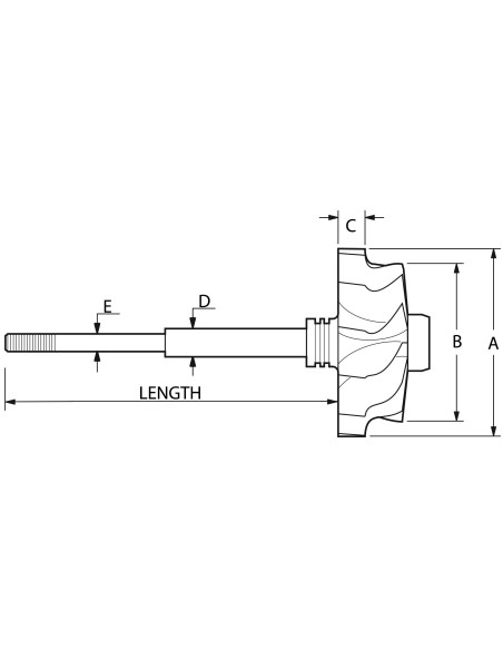
SW-G015 - Part Properties

Blades (Shaft blades count): 9

Type (Shaft & Wheel Type): Slender

Vidinis Matmuo A (Vidinis Matmuo A): 35.5

Išorinis Matmuo B (Išorinis Matmuo B): 29.2

Kelties aukštis C (Kelties aukštis C): 7.1

Slydimo Įvorės Matmuo D (Slydimo Įvorės Matmuo D): 6.0

Kompresorinės Sparnuotės Matmuo E (Kompresorinės Sparnuotės Matmuo E): 4.0

Veleno Ilgis (mm) (Veleno Ilgis (mm)): 80.0

Back (Back): Closed

Piston Ring Type (Piston Ring Type): Twin

Model (Model): GT12


03P253019B, 789016-0001, 03P253019B, 789016-0002

Data updated: 2025-09-02 11:38:54

Nauja
No reviews
Product added to wishlist
Product added to compare.