Velenas SW-B017
Velenas SW-B017
Velenas SW-B017
Velenas SW-B017

Velenas SW-B017

SW-B017
Nauja
Please login to see prices and stock

Velenas SW-B017 for turbos 10009700130(B01), 16359700005, 16359700006.


 

SW-B017 - Velenas

Brand: Vortex

Vortex Reference: SW-B017

SW-B017 - Compatibility table

Velenas SW-B017 - Compatible turbochargers
TURBO MAKERTURBO MODELTURBO REFERENCETURBO OE NUMBER
BorgWarnerB0110009700130(B01)--
BorgWarnerB0116359700005--
BorgWarnerB0116359700006--

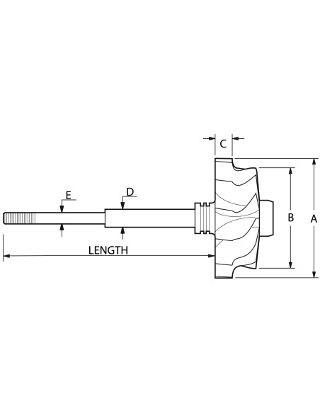
SW-B017 - Part Properties

Blades (Shaft blades count): 7

Type (Shaft & Wheel Type): Slender

Vidinis Matmuo A (Vidinis Matmuo A): 34.9

Išorinis Matmuo B (Išorinis Matmuo B): 30.6

Kelties aukštis C (Kelties aukštis C): 5.7

Slydimo Įvorės Matmuo D (Slydimo Įvorės Matmuo D): 5.9

Kompresorinės Sparnuotės Matmuo E (Kompresorinės Sparnuotės Matmuo E): 4.0

Veleno Ilgis (mm) (Veleno Ilgis (mm)): 83.5

Back (Back): Closed

Piston Ring Type (Piston Ring Type): Twin

Model (Model): B01


16359700005, 10009700130(B01), 10009700130 (B01), 1635 970 0005, 16359700006

Data updated: 2025-11-12 14:51:20

Nauja
No reviews
Product added to wishlist
Product added to compare.