Shaft and wheel SW-B017
Shaft and wheel SW-B017
Shaft and wheel SW-B017
Shaft and wheel SW-B017

Shaft and wheel SW-B017

SW-B017
Новое
Please login to see prices and stock

Shaft and wheel SW-B017 for turbos 10009700130(B01), 16359700005, 16359700006.


 

SW-B017 - Shaft and wheel

Brand: Vortex

Vortex Reference: SW-B017

SW-B017 - Compatibility table

Shaft and wheel SW-B017 - Compatible turbochargers
TURBO MAKERTURBO MODELTURBO REFERENCETURBO OE NUMBER
BorgWarnerB0110009700130(B01)--
BorgWarnerB0116359700005--
BorgWarnerB0116359700006--

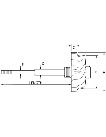
SW-B017 - Part Properties

Blades (Shaft blades count): 7

Type (Shaft & Wheel Type): Slender

Inducer Diameter A (Inducer Diameter A): 34.9

Exducer Diameter B (Exducer Diameter B): 30.6

Tip Height C (Tip Height C): 5.7

Journal Bearing Diameter D (Journal Bearing Diameter D): 6.0

Compressor Wheel Diameter E (Compressor Wheel Diameter E): 4.1

Shaft Length (mm) (Shaft Length (mm)): 83.5

Back (Back): Closed

Piston Ring Type (Piston Ring Type): Twin

Model (Model): B01


16359700005, 10009700130(B01), 10009700130 (B01), 1635 970 0005, 16359700006

Data updated: 2025-11-12 14:51:20

Новое
No reviews
Product added to wishlist
Product added to compare.