Velenas SW-H008
SW-H008
Nauja
Please login to see prices and stock
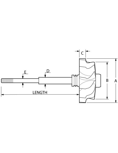
Shaft Length: 140mm
Velenas SW-H008 for turbos 2840195, 3592811, 3592836, 3596183, 3596191, 4029159, 4029160, 4035044, 4036835, 4036836.
SW-H008 - Velenas
Brand: Vortex
Vortex Reference: SW-H008
SW-H008 - Compatibility table
| Velenas SW-H008 - Compatible turbochargers | |||
|---|---|---|---|
| TURBO MAKER | TURBO MODEL | TURBO REFERENCE | TURBO OE NUMBER |
| Holset | HX35 | 2840195 | -- |
| Holset | HX35 | 3592811 | -- |
| Holset | HX35 | 3592836 | -- |
| Holset | HX35 | 3596183 | -- |
| Holset | HX35 | 3596191 | -- |
| Holset | HX35 | 4029159 | -- |
| Holset | HX35 | 4029160 | -- |
| Holset | HX35 | 4035044 | -- |
| Holset | HX35 | 4036835 | -- |
| Holset | HX35 | 4036836 | -- |
| Holset | HX35 | 4037001 | -- |
| Holset | HX35 | 4037002 | -- |
| Holset | HX35 | 4043600 | -- |
| Holset | HX35 | 4050004 | -- |
| Holset | HX35 | 4050155 | -- |
| Holset | HX35 | 4050237 | -- |
| Holset | HX35 | 4050242 | -- |
| Holset | HX35 | 4051093 | -- |
| Holset | HX35 | 4051162 | -- |
| Holset | HX35 | 4051197 | -- |
| Holset | HX35 | 4051198 | -- |
SW-H008 - Part Properties
Blades (Shaft blades count): 12
Type (Shaft & Wheel Type): Straight
Vidinis Matmuo A (Vidinis Matmuo A): 65.5
Išorinis Matmuo B (Išorinis Matmuo B): 58.5
Kelties aukštis C (Kelties aukštis C): 10.5
Slydimo Įvorės Matmuo D (Slydimo Įvorės Matmuo D): 11.0
Kompresorinės Sparnuotės Matmuo E (Kompresorinės Sparnuotės Matmuo E): 7.0
Veleno Ilgis (mm) (Veleno Ilgis (mm)): 140.0
Back (Back): Open
Piston Ring Type (Piston Ring Type): Single
Model (Model): HX35
2840195, 3592811, 3592836, 3596183, 3596191, 4029159, 4029160, 4035044, 4036835, 4036836, 4037001, 4037002, 4043600, 4050004, 4050155, 4050237, 4050242, 4051093, 4051162, 4051197, 4051198
Data updated: 2025-08-29 13:47:09
Nauja
No reviews