Shaft and wheel SW-K022
Shaft and wheel SW-K022
Shaft and wheel SW-K022
Shaft and wheel SW-K022

Shaft and wheel SW-K022

SW-K022
New
Please login to see prices and stock

Shaft and wheel SW-K022 for turbos 53049700125, 53049700143.

 

SW-K022 - Shaft and wheel

Brand: Vortex

Vortex Reference: SW-K022

SW-K022 - Compatibility table

Shaft and wheel SW-K022 - Compatible turbochargers
TURBO MAKERTURBO MODELTURBO REFERENCETURBO OE NUMBER
BorgWarner(R2S) K0453049700125--
BorgWarner(R2S) K0453049700143--

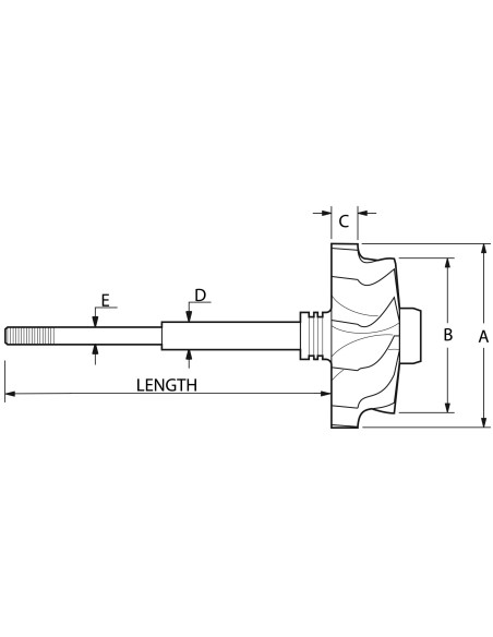
SW-K022 - Part Properties

Blades (Shaft blades count): 12

Type (Shaft & Wheel Type): Straight

Inducer Diameter A (Inducer Diameter A): 48.0

Exducer Diameter B (Exducer Diameter B): 40.30

Tip Height C (Tip Height C): 7.5

Journal Bearing Diameter D (Journal Bearing Diameter D): 7.0

Compressor Wheel Diameter E (Compressor Wheel Diameter E): 4.6

Shaft Length (mm) (Shaft Length (mm)): 99.0

Back (Back): Closed

Piston Ring Type (Piston Ring Type): Twin

Model (Model): K03/04


53049700125, 53049700143

Data updated: 2025-08-27 16:43:46

New
No reviews
Product added to wishlist
Product added to compare.