Shaft and wheel SW-G086
Shaft and wheel SW-G086
Shaft and wheel SW-G086
Shaft and wheel SW-G086

Shaft and wheel SW-G086

SW-G086
New
Please login to see prices and stock

Shaft and wheel SW-G086 for turbos 752610-0009, 752610-0010, 752610-0015.

 

SW-G086 - Shaft and wheel

Brand: Vortex

Vortex Reference: SW-G086

SW-G086 - Compatibility table

Shaft and wheel SW-G086 - Compatible turbochargers
TURBO MAKERTURBO MODELTURBO REFERENCETURBO OE NUMBER
GarrettGTA2052VK752610-00096C1Q6K682EE
GarrettGTA2052VK752610-00106C1Q6K682EF
GarrettGTA2052VK752610-00156C1Q6K682EK, LR006869

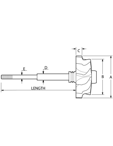
SW-G086 - Part Properties

Blades (Shaft blades count): 9

Type (Shaft & Wheel Type): Straight

Inducer Diameter A (Inducer Diameter A): 47.0

Exducer Diameter B (Exducer Diameter B): 40.4

Tip Height C (Tip Height C): 7.3

Journal Bearing Diameter D (Journal Bearing Diameter D): 7.9

Compressor Wheel Diameter E (Compressor Wheel Diameter E): 5.1

Shaft Length (mm) (Shaft Length (mm)): 92.5

Back (Back): Open

Piston Ring Type (Piston Ring Type): Single

Model (Model): GT15-25


6C1Q6K682EE, 752610-0009, 6C1Q6K682EF, 752610-0010, 6C1Q6K682EK, 752610-0015, LR006869

Data updated: 2025-09-01 15:23:33

New
No reviews
Product added to wishlist
Product added to compare.