Shaft and wheel SW-M007
SW-M007
New
Please login to see prices and stock
Shaft and wheel SW-M007 for turbos 49131-04300, 49131-05000, 49131-05001, 49131-05010, 49131-05011, 49131-05050, 49131-05060, 49131-05061, 49131-05100, 49131-05101.
SW-M007 - Shaft and wheel
Brand: Vortex
Vortex Reference: SW-M007
SW-M007 - Compatibility table
| Shaft and wheel SW-M007 - Compatible turbochargers | |||
|---|---|---|---|
| TURBO MAKER | TURBO MODEL | TURBO REFERENCE | TURBO OE NUMBER |
| Mitsubishi | TD03-07T | 49131-04300 | -- |
| Mitsubishi | TD03 | 49131-05000 | -- |
| Mitsubishi | TD03 | 49131-05001 | -- |
| Mitsubishi | TD03 | 49131-05010 | -- |
| Mitsubishi | TD03 | 49131-05011 | -- |
| Mitsubishi | TD03L-08G-4.8 | 49131-05050 | -- |
| Mitsubishi | TD03L-08G-4.8 | 49131-05060 | -- |
| Mitsubishi | TD03L-08G-4.8 | 49131-05061 | -- |
| Mitsubishi | TD03 | 49131-05100 | -- |
| Mitsubishi | TD03 | 49131-05101 | -- |
| Mitsubishi | TD03 | 49131-05110 | -- |
| Mitsubishi | TD03 | 49131-05111 | -- |
| Mitsubishi | TD03 | 49131-05150 | -- |
| Mitsubishi | TD03 | 49131-05151 | -- |
| Mitsubishi | TD03 | 49131-05160 | -- |
| Mitsubishi | TD03 | 49131-05161 | -- |
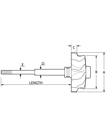
SW-M007 - Part Properties
Blades (Shaft blades count): 12
Type (Shaft & Wheel Type): Straight
Inducer Diameter A (Inducer Diameter A): 40.2
Exducer Diameter B (Exducer Diameter B): 35.2
Tip Height C (Tip Height C): 6.3
Journal Bearing Diameter D (Journal Bearing Diameter D): 6.0
Compressor Wheel Diameter E (Compressor Wheel Diameter E): 4.0
Shaft Length (mm) (Shaft Length (mm)): 83.0
Back (Back): Open
Piston Ring Type (Piston Ring Type): Single
Model (Model): TD03
49131-04300, 49131-05000, 49131-05001, 49131-05010, 49131-05011, 49131-05050, 49131-05060, 49131-05061, 49131-05100, 49131-05101, 49131-05110, 49131-05111, 49131-05150, 49131-05151, 49131-05160, 49131-05161
Data updated: 2025-09-01 13:05:34
New
No reviews